Thông tin bồn cầu thông minh INAX AC-819VN SARAS AUTO OPEN
- Mã sản phẩm: AC-819VN
- Tên sản phẩm: Bồn cầu thông minh INAX SARAS AUTO OPEN
- Nước cấp: Nối trực tiếp từ đường ống nước
- Áp xuất nước cấp: 0,07~0,75MPa (0,7~7,5 kg/cm2)
- Dòng điện: 220V, 50-60Hz, 1200W
- Lượng nước xả: Đang cập nhật
- Kích thước: Đang cập nhật
- Bộ điều khiển: Nguồn diện: 2Pin AA
- Màu sắc: Trắng
Chức năng phun rửa bàn cầu Inax AC-819VN tự động
- Cảm ứng bệ ngồi
- Rửa vệ sinh
- Rửa phụ nữ
- Khử mùi
- Xả nước trước khi dùng
- Tiết kiệm điện
- Tự động xả nước
- Bảng điều khiển
- Tự động đóng mở nắp/ bệ ngồi
- Sấy khí ấm
- Ánh sáng sịu nhẹ
- Khử trùng với Ion plasma
- Chất liệu kháng khuẩn
Đặc tính bệt AC-819VN SARAS AUTO OPEN liền khối
- AQUA CERAMIC chống bám bẩn
- Đệm bọt chống bắn
- Bơm điện tích hợp giúp tạo dòng xả mạnh mẽ, kể cả khi áp lực nước thấp
- Lá chắn khí ngăn và khử mùi
- Plasmacluster diệt khuẩn lòng bầu
- Phát sáng ban đêm
- Đóng/mở tự động
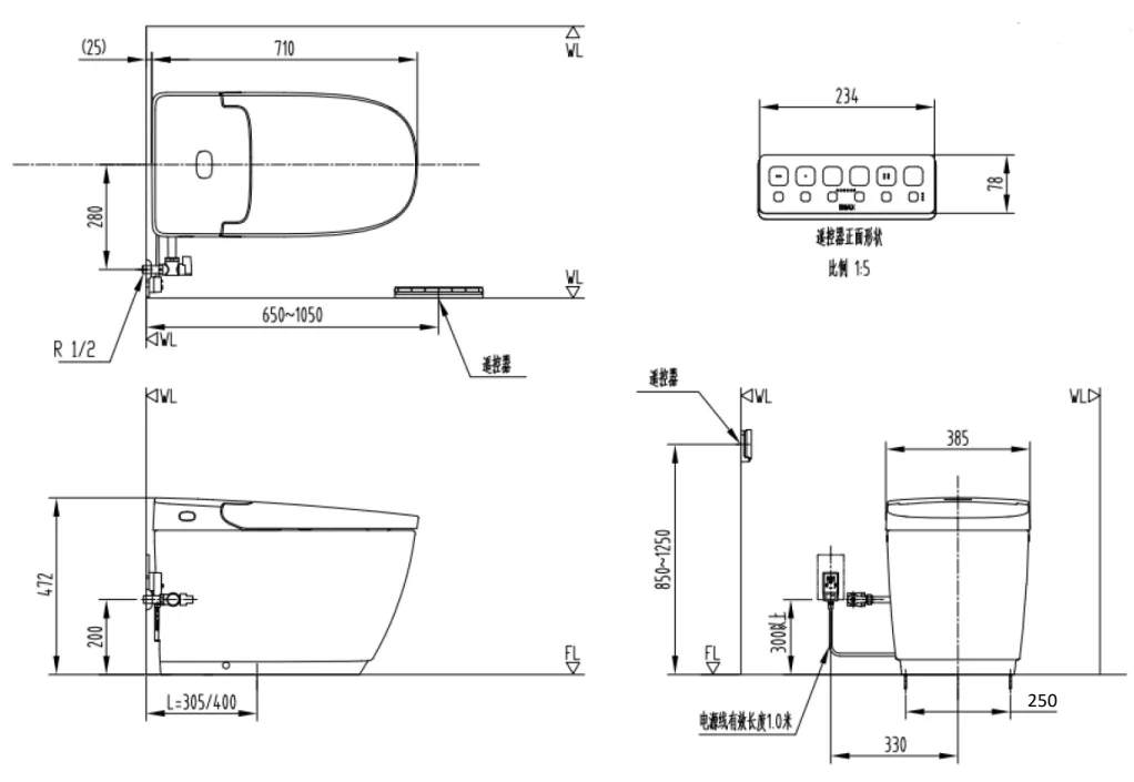
Bản vẽ kĩ thuật bệt điện tử INAX SARAS AC-819VN






Thư Minh Đã mua hàng tại tsquare.vn
Giá tốt, sẽ mua tiếp nếu xây mới ^^
Trần Khoa Đã mua hàng tại tsquare.vn
Nhanh, không thêm phí^^
Thư Minh Đã mua hàng tại tsquare.vn
Nhanh, không thêm phí^^